间甲基苯甲酰氯(3-Methylbenzoyl chloride,CAS: 1711-06-4)为无色液体,熔点-23°C,沸点86 °C(5 mmHg),分子式为C8H7ClO,分子量154.59,其外观如图1所示。

图1. 间甲基苯甲酰氯外观
在精细化工行业中,间甲基苯甲酰氯作为一种关键的化工原料,因其独特的化学性质在医药、农药、染料和感光材料等多个领域内被广泛应用。其作为重要的中间体,对于推动相关行业的技术进步和新产品开发具有重要意义。
连续生产工艺
传统的间甲基苯甲酰氯生产工艺存在一些显著的问题,例如:能耗高;每批次生产的产品外观波动大,导致质量不稳定;反应速率较慢,降低了生产效率,而且增加了生产成本;尾气瞬时量太大,亚砜夹带增大,单耗高。这些问题限制了生产效率的提高和成本的降低。
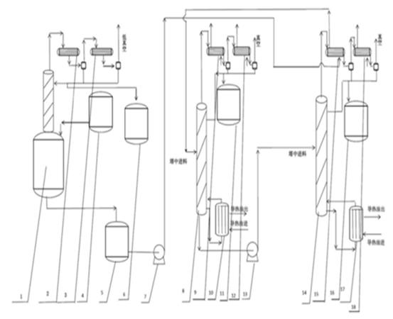
针对上述传统工艺中存在的问题,张聪聪等人[1]公开了一种间甲基苯甲酰氯的连续生产工艺(连续生产工艺的示意图如图2所示):将间甲基苯甲酸、液体催化剂加入到反应釜中,分阶段滴加氯化亚砜,控制温度和尾气流量进行反应,反应结束后保温,经常压、负压蒸除氯化亚砜后,得到反应液粗品,反应液粗品进脱轻塔物料经过产品塔顶物料预热,温度从60‑65℃提升到85‑90℃,然后进入脱轻塔脱除轻组分、产品塔脱除重组分后,得到间甲基苯甲酰氯成品。本发明提供的间甲基苯甲酰氯的连续生产工艺,缩短了反应时间,减少了能源消耗,降低生产成本,所生产的间甲基苯甲酰氯的收率高、含量高。

图2. 间甲基苯甲酰氯的连续生产工艺的示意图
实验室制备方法
在25 mL圆底烧瓶中依次加入间甲基苯甲酸(7.0 mmol, 1.0当量)、无水二氯甲烷(21.0 mL)及催化量DMF(3滴)。将反应体系冷却至0℃并搅拌10分钟后,缓慢滴加草酰氯(10.5 mmol, 1.5当量),随后于25℃持续搅拌4-5小时。反应混合物经减压浓缩后定量生成间甲基苯甲酰氯产物。[2]
参考文献
[1] 张聪聪,孙丰炜,王永,肖广明,胡发明,张国强,王岗,贾超岳,亓向媛. 间甲基苯甲酰氯的连续生产工艺及生产装置. CN 119775127 A.
[2] Li HR, Ran YA, Zhu YY, Guo W, Ni SF, Wen LR, Li M, Zhang LB. Electrochemical stereoselective synthesis of polysubstituted 1, 4-dicarbonyl Z-alkenes via three-component coupling of sulfoxonium ylides and alkynes with water. Chemical science. 2024;15(21):8156-62.