亚硝酸异丙酯新闻专题

一种连续绝热合成亚硝酸异丙酯的方法
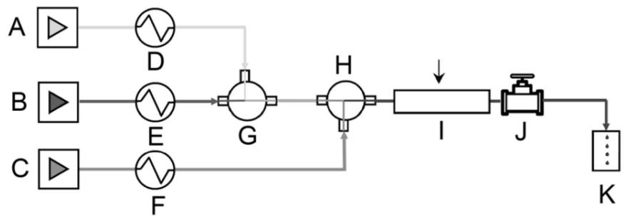
本文介绍了一种以亚硝酸钠、异丙醇、硝酸为原料,以水为溶剂连续绝热合成亚硝酸异丙酯的方法,该方法安全可靠,对环境友好,工业化应用可行性高。
2025/5/7 11:02:19
阅读量:522